6600-5  Light Pipes on N side
Light Pipes on N side
6600-5  Light Pipes N and L side
Light Pipes N and L side
6600-5  Example PDU with integrated light Pipes
Example PDU with integrated light Pipes
6600-5  10A outlet on PCB with Light Pipes
10A outlet on PCB with Light Pipes
6600-5  Snap-In Version with assembled Light Pipes
Snap-In Version with assembled Light Pipes
6600-5  Power Distribution Unit (PDU) with integrated light pipes
Power Distribution Unit (PDU) with integrated light pipes
6600-5  Light Pipes on N side
6600-5  Light Pipes N and L side
6600-5  Example PDU with integrated light Pipes
6600-5  10A outlet on PCB with Light Pipes
6600-5  Snap-In Version with assembled Light Pipes
6600-5  Power Distribution Unit (PDU) with integrated light pipes

Series

6600-5

IEC Appliance Outlet F, Integrated Light Pipes, PCB terminals, Color Coding

Free Sample Request

8 Variants


Connectors (Inlets/Outlets)

F
Connector Logo
70° C

Description

  • Panel mount: Snap-in version front side
  • Connector, Pin temperature 70 °C, Protection class I
  • Pre-assembled light pipes
  • For PCB mounting

Unique Selling Proposition

  • Variants made from plant-based plastics
  • Bio-plastic with 2.75 kg CO2 reduction per packaging unit

Other versions on request

  • Other panel thickness
  • Other lenghts on terminals and light pipes
  • Quick connect or solder terminals (incl. different terminals on L, N, PE)

See PDU Landing Page for more information to status indication with Light pipes. Power Distribution Units

Ratings IEC

Ratings IEC


The electrical characteristics describe the approved operating values for the state of rated current and rated voltage considering the mentioned conditions.
General information on electrical characteristics colors of fuses
Ratings IEC, UL/CSA General information on the rated current and the rated voltage at EMC products
Rated Voltage Rated current The values are different depending on the approval body and therefore are referenced in the corresponding admission cards for the respective product families. Details about the approvals and ratings are listed in the data sheets.
Search approval information for different families
Approvals

10 A / 250 VAC; 50 Hz

Ratings UL/CSA

Ratings UL


The electrical characteristics describe the approved operating values for the state of rated current and rated voltage considering the mentioned conditions.
General information on electrical characteristics colors of fuses
Ratings IEC, UL/CSA General information on the rated current and the rated voltage at EMC products
Rated Voltage Rated current The values are different depending on the approval body and therefore are referenced in the corresponding admission cards for the respective product families. Details about the approvals and ratings are listed in the data sheets.
Search approval information for different families
Approvals

15 A / 250 VAC; 60 Hz

Dielectric Strength

Dielectric Strength


Information about the maximum permissible voltage, to avoid a voltage breakdown due to insulation damage.
Dielectric Strength

> 1.5 kVAC between L-N
> 3 kVAC between L/N-PE
(1 min/50 Hz)

Allowable Operation Temperature

-25 °C to 70 °C

IP-Protection

IP-Protection


The IP code consists of a two-digit number, which indicates the respective degree of protection.
The first digit specifies the protection from the penetration of foreign objects, the second digit the protection from water penetration with harmful effects. Details about IP protection degree can be looked up in the general product information
IP-Protection

front side IP20 acc. to IEC 60529

Protection against electric shock

IP-Protection


The IP code consists of a two-digit number, which indicates the respective degree of protection.
The first digit specifies the protection from the penetration of foreign objects, the second digit the protection from water penetration with harmful effects. Details about IP protection degree can be looked up in the general product information
IP-Protection

Suitable for appliances with protection class I acc. to IEC 61140

Terminal

Terminals


Terminals according IEC Standard.
Detailed information about terminals can be looked up in the date sheet or in the general product information.
Terminal

For PCB mounting

Panel Thickness S

Panel Thickness S


See details in drawing
Snapper

Snap-in: 1.7 / 2 mm

Material: Housing

Thermoplastic, black, UL 94V-0

Appliance inlet/-outlet

Appliance inlet/-outlet


Connector type according to IEC 60320-1 resp. IEC 60320-2-2, UL498, CSA C22.2 no.42
Details on connectors and their names can be found in the general product information
Appliance Couplers Mating Connectors Term explanation Special Connector Designs

F acc. to IEC 60320-3
UL 60320-1, CSA C22.2 no. 60320-1 (for cold conditions) pin-temperature 70 °C, 10 A, Protection Class I

Detailed information on product approvals, code requirements, usage instructions and detailed test conditions can be looked up in  Details about Approvals
SCHURTER products are designed for use in industrial environments. They have approvals from independent testing bodies according to national and international standards. Products with specific characteristics and requirements such as required in the automotive sector according to IATF 16949, medical technology according to ISO 13485 or in the aerospace industry can be offered exclusively with customer-specific, individual agreements by SCHURTER.


Approvals

The approval mark is used by the testing authorities to certify compliance with the safety requirements placed on electronic products.


Approval Reference Type: 6600-5

Approval Logo Certificates Certification Body Description
Approval marks ENEC_10 VDE Certificate Number: 40035679
Approval marks cURus UL UR File Number: E103791
Approval marks ccc CCC CCC Certificate Number: 2018180204005386


Product standards

Product standards that are referenced

Organization Design Standard Description
Approval marks IEC_Certification_Body Designed according to IEC 60320-3 Appliance couplers for household and similar general purposes
Approval marks UL Designed according to UL 60320-1 Standard for Attachment Plugs and Receptacles
Approval marks CSA_Certification_Body Designed according to CSA C22.2 no. 60320-1 General Use Receptacles, Attachment Plugs, and Similar Wiring Devices


Application standards

Application standards where the product can be used

Organization Design Standard Description
Approval marks IEC_Certification_Body Suitable for applications acc. IEC/UL 62368-1 Audio/video, information and communication technology equipment - Part 1: Safety requirements
Approval marks IEC_Certification_Body Suitable for applications acc. IEC 60335-1 Safety of electrical appliances for household and similar purposes. Meets the requirements for appliances in unattended use. This includes the enhanced requirements of glow wire tests acc. to IEC 60695-2-11 or -12 & -13.


Compliances

The product complies with following Guide Lines

Identification Details Initiator Description
Approval marks CE SCHURTER AG The CE marking declares that the product complies with the applicable requirements laid down in the harmonisation of Community legislation on its affixing in accordance with EU Regulation 765/2008.
Approval marks Zulassung_Symbol_UKCA SCHURTER AG The UKCA marking declares that the product complies with the applicable requirements laid down in the British Amendment of Regulation (EC) 765/2008.
Environment_Safety RoHS_Logo_color_CMYK_tif SCHURTER AG Directive RoHS 2011/65/EU, Amendment (EU) 2015/863
Environment_Safety China_RoHS_e_konform_eps SCHURTER AG The law SJ / T 11363-2006 (China RoHS) has been in force since 1 March 2007. It is similar to the EU directive RoHS.
Environment_Safety REACH SCHURTER AG On 1 June 2007, Regulation (EC) No 1907/2006 on the Registration, Evaluation, Authorization and Restriction of Chemicals 1 (abbreviated as "REACH") entered into force.
Components V_Lock_Logo SCHURTER AG V-Lock system are based on a matching plug-dose combination. The connector is equipped with a notch intended for use with the latching cordset. The cord latching system prevents against accidental removal of the cordset.
Environment_Safety Glow_Wire_Proof SCHURTER AG Meets the requirements of IEC 60335-1 for appliances in unattended use. This includes the enhanced requirements of glow wire tests acc. to IEC 60695-2-11 or -12 &-13.

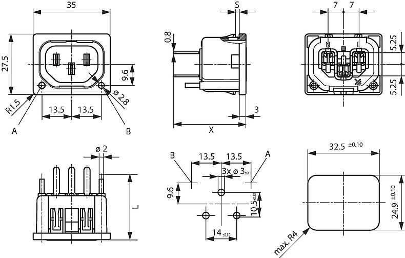
Dimensions [mm]

Terminal: X mm
QC 4.8x0.8: 29.2
QC 6.3x0.8: 30.2
Solder: 26.8
PCB: 32.8
A: Light pipe position A
B: Light pipe position B
Light pipe length: L
Panel thickness: S


See Application Note for more information to status indication with Light pipes.
Application Note

Short Table of Variants 6600-5 Open complete table 6600-5

Panel Thickness Terminal Light pipe N side Order Number
Symbols, Footprints, 3D-Models Free Sample

Free Sample


Please ask for free sample in order to check if the products meets your requirement for your application.
Send your delivery adress and your specific requirements.

Distributor Stock Check

Distributor Stock Check


The following links refers to the inquiry form for distributors stock information of the selected products. It allows checking for the available amount and optionally to place an order at your selected partner.
The stock availability at the distributors may also be called up separately and the desired product manually entered.
Stock Check Distributor

...
 
2.0 PCB 3-101-689 ...
2.0 PCB 3-101-686 ...
2.0 PCB 3-101-687 ...
2.0 PCB 3-101-685 ...
1.7 PCB 3-100-406 ...
1.7 PCB 3-100-404 ...
1.7 PCB 3-100-405 ...
1.7 PCB 3-100-403 ...

Packaging unit 50 Pcs 

020070120000002051
LOADING...
Mating Inlets/Plugs (5)

[Swipe to the left and right for more options]

4732

4732, Mounting: Power Cord, Plug: IEC E, Cable

4735

4735, Mounting: Power Cord, Plug: IEC E, Cable

9009

9009, Mounting: Plug: IEC E, Screw clamps

4733

4733, Mounting: Power Cord, Plug: IEC E, Cable

4736

4736, Mounting: Power Cord, Plug: IEC E, Cable

Mating Inlets/Plugs shuttered (5)

[Swipe to the left and right for more options]

3-100-354

VAC13KS, Interconnection, V-Lock cord retaining, 0.6 m, Connector IEC C13, H05VV-F3G0.75 / SVT 3x18 AWG, black

3-100-361

VAC13KS, Interconnection, V-Lock cord retaining, 3.0 m, Connector IEC C13, SVT 3x18 AWG, black

3-100-734

VAC13KS, Interconnection, V-Lock cord retaining, 1.8 m, Connector IEC C13, H05VV-F3G0.75 / SVT 3x18 AWG, black

6051.2007

VAC13KS, Interconnection, V-Lock cord retaining, 2.0 m, Connector IEC C13, H05VV-F3G0.75 / SVT 3x18 AWG, black

6051.2027

VAC13KS, Interconnection, V-Lock cord retaining, 1.2 m, Connector IEC C13, H05VV-F3G0.75, black


01.10.2025
   
en prod By changing the catalog version (Desktop <> Mobile), the system is resetting the chosen filters