DD22  IEC Appliance Inlet C14 with Filter, Fuseholder 1- or 2-pole, Line Switch 2-pole, for PCB Mounting

Series

DD22

IEC Appliance Inlet C14 with Filter, Fuseholder 1- or 2-pole, Line Switch 2-pole, for PCB Mounting

Free Sample Request

15 Variants


Connectors (Inlets/Outlets)

C14
Connector Logo
70° C

Description

  • Panel mount: Screw-on mounting on PCB, rear-side
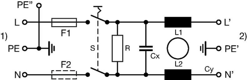
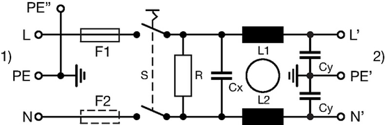
  • 4 Functions: Appliance Inlet Protection class I, Line Switch 2-pole, Fuseholder for fuse-links 5 x 20 mm 1  or 2 pole, Line filter in standard and medical version
  • V-Lock notch standard
  • PCB terminals

Unique Selling Proposition

  • Most compact power entry module
  • Attractive flat design
  • Switch for highest inrush current
  • V-Lock cord retaining

Characteristics

  • Ultra-compact design. Ideal for low profile designs
  • All single elements are already wired
  • For added safety "Extra-Safe" fuse drawers are available
  • Ideal for application with high transient loads
  • For applications according IEC/UL 62368-1 we recommend variants with bleed resistor
    Suitable for use in medical equipment according to IEC/UL 60601-1 (1 MOOP, 1 MOPP)

Other versions on request

  • Fuse drawer 1-pole, plus spare fuse case
  • Fuse drawer 2-pole, with shorting bar
  • Other rocker marking
  • Line switch, illuminated
  • Line switch 1-pole
  • Medical Version (M80)
  • Protection class II, 70°C

Ratings IEC

Ratings IEC


The electrical characteristics describe the approved operating values for the state of rated current and rated voltage considering the mentioned conditions.
General information on electrical characteristics colors of fuses
Ratings IEC, UL/CSA General information on the rated current and the rated voltage at EMC products
Rated Voltage Rated current The values are different depending on the approval body and therefore are referenced in the corresponding admission cards for the respective product families. Details about the approvals and ratings are listed in the data sheets.
Search approval information for different families
Approvals

1 - 10 A @ Ta 40 °C / 250 VAC; 50 Hz

Ratings UL/CSA

Ratings UL


The electrical characteristics describe the approved operating values for the state of rated current and rated voltage considering the mentioned conditions.
General information on electrical characteristics colors of fuses
Ratings IEC, UL/CSA General information on the rated current and the rated voltage at EMC products
Rated Voltage Rated current The values are different depending on the approval body and therefore are referenced in the corresponding admission cards for the respective product families. Details about the approvals and ratings are listed in the data sheets.
Search approval information for different families
Approvals

1 - 10 A @ Ta 40 °C / 250 VAC; 50/60 Hz

Leakage Current

Leakage Current


The leakage current is an electric current flowing in an undesirable current path.
In EMC filters this is done by the applied Y-capacitors, which are used for noise suppression. Information on the amount and classification of leakage currents are explained in detail and are listed in the data sheets.
Leakage Current

standard < 0.5 mA (250 V / 60 Hz)
medical < 5 µA (250 V / 60 Hz)

Dielectric Strength

Dielectric Strength


Information about the maximum permissible voltage, to avoid a voltage breakdown due to insulation damage.
Dielectric Strength

> 1.7 kVDC between L-N
> 2.7 kVDC between L/N-PE
Test voltage (1 min/50 Hz)

Allowable Operation Temperature

-25 °C to 85 °C

Climatic Category

Climatic Category


Disposition of components in categories for the assessment of mechanical and electrical properties.
Climatic Category

25/085/21 acc. to IEC 60068-1

IP-Protection

IP-Protection


The IP code consists of a two-digit number, which indicates the respective degree of protection.
The first digit specifies the protection from the penetration of foreign objects, the second digit the protection from water penetration with harmful effects. Details about IP protection degree can be looked up in the general product information
IP-Protection

front side IP40 acc. to IEC 60529

Protection Class

Protection Class


Class I: with ground; Class II: without ground

Detailed information relating to protection class can also be found in the general product information
Protection against electric shock

Suitable for appliances with protection class I acc. to IEC 61140

Terminal

Terminals


Terminals according IEC Standard.
Detailed information about terminals can be looked up in the date sheet or in the general product information.
Terminal

For PCB mounting 3  mm additional quick connect 6.3 x 0.8 mm

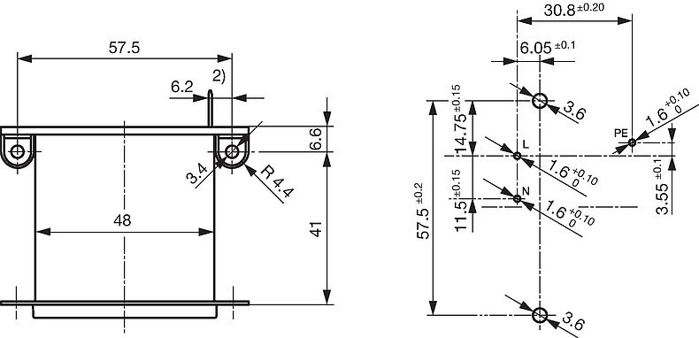
Panel Thickness S

Panel Thickness S


See details in drawing
Snapper

Screw-on mounting: max 3 mm
Mounting screw torque max 0.5 Nm

Material

Thermoplastic, black, UL 94V-0

Appliance inlet/-outlet

Appliance inlet/-outlet


Connector type according to IEC 60320-1 resp. IEC 60320-2-2, UL498, CSA C22.2 no.42
Details on connectors and their names can be found in the general product information
Appliance Couplers Mating Connectors Term explanation Special Connector Designs

C14 acc. to IEC 60320-1
UL 498 CSA C22.2 no. 42 (for cold conditions) pin-temperature 70 °C, 10 A, Protection Class I

Fuseholder

Fuseholder



1.) fuse holder does not include circuit breakers
2.) Details about fuse-links can be found in the catalog under
FusesDetailed information on the fuse holder and fuse drawers can be found in the general product information.
Fuse drawer

1-/2-pole, Shocksafe category PC2 acc. to IEC 60127-6,
for fuse-links 5 x 20 mm

Rated Power Acceptance @ Ta 23 °C

5 x 20: 2 W (1 pole)/ 1.6 W (2-pole) per pole

Power Acceptance @ Ta > 23°C

Admissible power acceptance at higher ambient temperature see derating curves

Line Switch

Line Switch


Also includes circuit breaker switch and switch for Bowden cables.

Details about the switches can also be found in the general product information.
Line Switch

Rocker switch 2-pole, non-illuminated, acc. to IEC 61058-1
Technical Details

Line Filter

Filter Type


Filter classification according leakage current for easy reading:
Standard: < 0.5 mA
Medizinal: < 0.1 mA
Leakage Current

Standard and Medical Version, IEC 60939, UL 60939-3, CSA C22.2 no. 8
Technical Details

MTBF

MTBF


The term MTBF is the English acronym Mean Time Between Failure and describes reliability of a component. The operating time of a system can be calculated based on thementioned value of the component. - The higher this value, the more reliable the component.
MTBF

> 2'000'000 h acc. to MIL-HB-217 F

Detailed information on product approvals, code requirements, usage instructions and detailed test conditions can be looked up in  Details about Approvals
SCHURTER products are designed for use in industrial environments. They have approvals from independent testing bodies according to national and international standards. Products with specific characteristics and requirements such as required in the automotive sector according to IATF 16949, medical technology according to ISO 13485 or in the aerospace industry can be offered exclusively with customer-specific, individual agreements by SCHURTER.


Approvals

The approval mark is used by the testing authorities to certify compliance with the safety requirements placed on electronic products.


Approval Reference Type: DD22

Approval Logo Certificates Certification Body Description
Approval marks ENEC_10 VDE Certificate Number: 40001522
Approval marks cURus UL UR File Number: E495089


Product standards

Product standards that are referenced

Organization Design Standard Description
Approval marks IEC_Certification_Body Designed according to IEC 60320-1 Appliance couplers for household and similar general purposes
Approval marks IEC_Certification_Body Designed according to IEC 60939 Passive filters for suppressing electromagnetic interference
Approval marks IEC_Certification_Body Designed according to IEC 60127-6 Miniature fuses. Part 6. Fuse-holders for miniature fuse-links
Approval marks IEC_Certification_Body Designed according to IEC 61058-1 Switches for appliances. Part 1. General requirements
Approval marks UL Designed according to UL 498 Standard for Attachment Plugs and Receptacles
Approval marks UL Designed according to UL 60939-3 Passive filters for suppressing electromagnetic interference
Approval marks CSA_Certification_Body Designed according to CSA C22.2 no. 42 General Use Receptacles, Attachment Plugs, and Similar Wiring Devices
Approval marks CSA_Certification_Body Designed according to CSA C22.2 no. 8 Electromagnetic interference (EMI) filters


Application standards

Application standards where the product can be used

Organization Design Standard Description
Approval marks IEC_Certification_Body Suitable for applications acc. IEC/UL 62368-1 Audio/video, information and communication technology equipment - Part 1: Safety requirements
Approval marks IEC_Certification_Body Suitable for applications acc. IEC 60601-1 Medical electrical equipment - Part 1: General requirements for basic safety and essential performance
Approval marks IEC_Certification_Body Suitable for applications acc. IEC 60335-1 Safety of electrical appliances for household and similar purposes. Meets the requirements for appliances in unattended use. This includes the enhanced requirements of glow wire tests acc. to IEC 60695-2-11 or -12 & -13.


Compliances

The product complies with following Guide Lines

Identification Details Initiator Description
Approval marks CE SCHURTER AG The CE marking declares that the product complies with the applicable requirements laid down in the harmonisation of Community legislation on its affixing in accordance with EU Regulation 765/2008.
Approval marks Zulassung_Symbol_UKCA SCHURTER AG The UKCA marking declares that the product complies with the applicable requirements laid down in the British Amendment of Regulation (EC) 765/2008.
Environment_Safety RoHS_Logo_color_CMYK_tif SCHURTER AG Directive RoHS 2011/65/EU, Amendment (EU) 2015/863
Environment_Safety China_RoHS_e_konform_eps SCHURTER AG The law SJ / T 11363-2006 (China RoHS) has been in force since 1 March 2007. It is similar to the EU directive RoHS.
Environment_Safety REACH SCHURTER AG On 1 June 2007, Regulation (EC) No 1907/2006 on the Registration, Evaluation, Authorization and Restriction of Chemicals 1 (abbreviated as "REACH") entered into force.
Components V_Lock_Logo SCHURTER AG V-Lock system are based on a matching plug-dose combination. The connector is equipped with a notch intended for use with the latching cordset. The cord latching system prevents against accidental removal of the cordset.
Environment_Safety Glow_Wire_Proof SCHURTER AG Meets the requirements of IEC 60335-1 for appliances in unattended use. This includes the enhanced requirements of glow wire tests acc. to IEC 60695-2-11 or -12 &-13.
Environment_Safety Medical SCHURTER AG Suitable for use in medical equipment according to IEC/UL 60601-1 (1 MOOP, 1 MOPP)

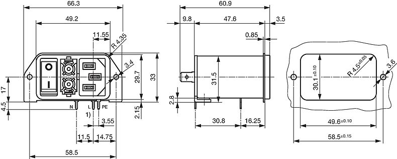
Dimension [mm]

Screw-on version

1) all terminals with 1.25 x 0.8
2) Quick connect terminal 6.3 x 0.8

Diagrams

Filter Standard
Non-illuminated
1) Line
2) Load
Medical Version (M5)
Non-illuminated
1) Line
2) Load

Derating Curves

1-pole

Admissible power acceptance in Watt
Ambient air temperature Ta °C

2-pole

Admissible power acceptance in Watt per pole
Ambient air temperature Ta °C


Technical Data of Filter-Components

Rated Current [A] Filter-Type Inductances L [mH] Capacitance CX [nF] Capacitance CY [nF] R [MΩ]
1 Standard version 2 x 10 100 2.2 1
2 Standard version 2 x 4 100 2.2 1
4 Standard version 2 x 1.5 100 2.2 1
6 Standard version 2 x 0.8 100 2.2 1
10 Standard version 2 x 0.3 100 2.2 1
1 Medical Version (M5) 2 x 10 100 - 1
2 Medical Version (M5) 2 x 4 100 - 1
4 Medical Version (M5) 2 x 1.5 100 - 1
6 Medical Version (M5) 2 x 0.8 100 - 1
10 Medical Version (M5) 2 x 0.3 100 - 1

Attenuation Loss

1 A

2 A

4 A

6 A

10 A

1 A

2 A

4 A

6 A

10 A


Short Table of Variants DD22 Open complete table DD22

Rated Current [A] Filter-Type Fuseholder Order Number
Symbols, Footprints, 3D-Models Free Sample

Free Sample


Please ask for free sample in order to check if the products meets your requirement for your application.
Send your delivery adress and your specific requirements.

Distributor Stock Check

Distributor Stock Check


The following links refers to the inquiry form for distributors stock information of the selected products. It allows checking for the available amount and optionally to place an order at your selected partner.
The stock availability at the distributors may also be called up separately and the desired product manually entered.
Stock Check Distributor

...
 
1 Standard version 1-pole DD22.1111.1111 ...
2 Standard version 1-pole DD22.2111.1111 ...
4 Standard version 1-pole DD22.4111.1111 ...
6 Standard version 1-pole DD22.6111.1111 ...
10 Standard version 1-pole DD22.9111.1111 ...
1 Standard version 2-pole DD22.1121.1111 ...
2 Standard version 2-pole DD22.2121.1111 ...
4 Standard version 2-pole DD22.4121.1111 ...
6 Standard version 2-pole DD22.6121.1111 ...
10 Standard version 2-pole DD22.9121.1111 ...
1 Medical Version (M5) 2-pole DD22.1321.1111 ...
2 Medical Version (M5) 2-pole DD22.2321.1111 ...
4 Medical Version (M5) 2-pole DD22.4321.1111 ...
6 Medical Version (M5) 2-pole DD22.6321.1111 ...
10 Medical Version (M5) 2-pole DD22.9321.1111 ...

The fuse drawer is not included and must be ordered separately (see required accessory).

Packaging unit 20 Pcs 

020060180000001544
LOADING...
Alternative: version without line filter (1)

[Swipe to the left and right for more options]

Mating Outlets/Connectors (8)

[Swipe to the left and right for more options]

4787

4787, Mounting: Screw-on mounting, Appliance Outlet: IEC Solder terminals, 10 A, Suitable for appliances with protection class I

4788

4788, Mounting: Snap-in version, Appliance Outlet: IEC Solder / Quick Connect, 10 A, Suitable for appliances with protection class I

5091

IEC Appliance Outlet F or H, Screw-on Mounting, Front Side, Solder, PCB or Quick-connect Terminal

4782

4782 Mounting: Power Cord, 3 x 1 mm² / 3 x 18 AWG, Cable, Connector: IEC C13

4785

4785 Mounting: Power Cord, 3 x 1 mm² / 3 x 18 AWG, Cable, Connector: IEC C13

4300-06

4300-06 Mounting: Power Cord, 3 x 1 mm² / 3 x 18 AWG, Cable, Connector: IEC C13

4781

4781 Mounting: Power Cord, Cable, Connector: IEC C15

4784

4784 Mounting: Power Cord, 3 x 1 mm² / 3 x 18 AWG, Cable, Connector: IEC C15

Mating Outlets/Connectors shuttered (2)

[Swipe to the left and right for more options]

4783

4783 Mounting: Power Cord, 3 x 1 mm² / 3 x 18 AWG, Cable, Connector: IEC C13

VAC13KS

VAC13KS, Overview, V-Lock cord retaining, diverse Connector IEC C13, diverse, black

Required Accessory (1)

[Swipe to the left and right for more options]

Fusedrawer 2

Fusedrawer for Fuse Links 5x20 mm, with or without Voltage Selector Insert


02.09.2025
   
en prod By changing the catalog version (Desktop <> Mobile), the system is resetting the chosen filters