Free Sample
Please ask for free sample in order to check if the products meets your requirement for your application.
		
Send your delivery adress and your specific requirements.
	
  
 
        Electrical Data
Current consumption
10 mA with Built-in Multiplier
LED
Technical data LED see separate table
Climatical Data
Allowable Operation Temp.
-25 to 55 °C
Storage Temperature
-55 to 100 °C
Protection Class
IP67
Soldering Data
Solderability
235 °C / 2 sec acc. to IEC 60068-2-20 , Test Ta, method 1
Resistance to Soldering Heat
350 °C / 5 sec acc. to IEC 60068-2-20 , Test Tb, method 1B
Material
Housing
Brass chrome-plated
Solder terminals
Tin-Plated Copper
Nut
Nickel-Plated Brass
Sealing
Nitril rubber
| LED red | LED green | LED yellow | |
| Let-through courrent DC␉IF max. | 30 mA | 30 mA | 30 mA | 
| Power Loss␉PV max. | 100 mW | 100 mW | 100 mW | 
| Forward voltage | typ. 2.0 V; max. 3.0 V | typ. 2.4 V; max. 3.0 V | typ. 2.4 V; max. 3.0 V | 
| Luminous intensity | min. 6.3 mcd; typ. 10 mcd | min. 6.3 mcd; typ. 10 mcd | min. 6.3 mcd; typ. 12 mcd | 
| Viewing angle | 60° | 60° | 60° | 
| Peak wave lenght | typ. 635 nm | typ. 565 nm | typ. 585 nm | 
| Reverse voltage | typ. 15 V | typ. 15 V | typ. 15 V | 
Detailed information on product approvals, code requirements, usage instructions and detailed test conditions can be looked up in 
Details about Approvals
SCHURTER products are designed for use in industrial environments. They have approvals from independent testing bodies according to national and international standards. Products with specific characteristics and requirements such as required in the automotive sector according to IATF 16949, medical technology according to ISO 13485 or in the aerospace industry can be offered exclusively with customer-specific, individual agreements by SCHURTER.
The product complies with following Guide Lines
| Identification | Details | Initiator | Description | 
|---|---|---|---|
|   | SCHURTER AG | Directive RoHS 2011/65/EU, Amendment (EU) 2015/863 | |
|   | SCHURTER AG | On 1 June 2007, Regulation (EC) No 1907/2006 on the Registration, Evaluation, Authorization and Restriction of Chemicals 1 (abbreviated as "REACH") entered into force. | 
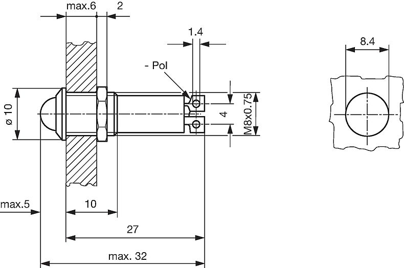
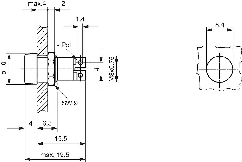
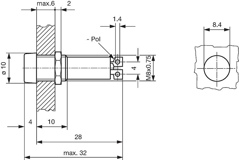
| Type | Multiplier | Housing | Order Number | Symbols, Footprints, 3D-Models | Free Sample Free Sample 
 | Distributor Stock Check Distributor Stock Check 
 | ... | |
|---|---|---|---|---|---|---|---|---|
| Internal Reflector | with | chrome-plated | 0035.0607 |  | ... | |||
| Internal Reflector | with | chrome-plated | 0035.0608 |  | ... | |||
| Internal Reflector | with | chrome-plated | 0035.0609 |  | ... | |||
| Outside Reflector | with | black dull | 0035.0664 |  | ... | |||
| Outside Reflector | with | black dull | 0035.0665 |  | ... | |||
| Outside Reflector | with | black dull | 0035.0666 |  | ... | |||
| Outside Reflector | with | black dull | 0035.0667 |  | ... | |||
| Outside Reflector | with | black dull | 0035.0668 |  | ... | |||
| Outside Reflector | with | black dull | 0035.0669 |  | ... | |||
| Internal Reflector | without | black dull | 0035.0726 |  | ... | |||
| Internal Reflector | without | black dull | 0035.0727 |  | ... | |||
| Internal Reflector | without | black dull | 0035.0728 |  | ... | 
| Packaging unit | 50 pcs |