TA35 Rotary Switch 3Pol  Circuit Breaker for Equipment thermal, Rotary knob actuation, 3 poles
TA35 Rotary Switch 3Pol  Thermal circuit breaker Rotary Switch, 3-pole Standard version
Thermal circuit breaker
Rotary Switch, 3-pole
Standard version
TA35 Rotary Switch 3Pol  Circuit Breaker for Equipment thermal, Rotary knob actuation, 3 poles
TA35 Rotary Switch 3Pol  Thermal circuit breaker Rotary Switch, 3-pole Standard version

Series

TA35 Rotary Switch 3Pol

Circuit Breaker for Equipment thermal, Rotary knob actuation, 3 poles

Phase_Out_Logo

Last order date: 15.12.2023

2 Variants


Description

  • Thermal circuit breaker,
  • 3-pole
  • Supplementary protector for general industrial use
  • Positively trip-free release
  • Method of operation acc. to IEC: S-type
  • Bezel / knob snap-on

Unique Selling Proposition

  • Easy actuation with gloves

Applications

  • Power tools
  • Industrial appliances
  • Equipment for construction
  • Cleaning equipment
  • Commercial and household kitchen appliances

Rated Voltage AC

415 Y VAC / 240 VAC

Rated current range AC

0.05 - 12 A

Conditional short circuit capacity Inc

IEC 60934: 0.05...12 A: 2 kA @ 415 VAC 

Degree of Protection

front side IP40 acc. to IEC 60529

Dielectric Strength

50 Hz: > 2.5 kV
Impulse 1.2/50 μs: > 4 kV

Insulation Resistance

500 VDC > 100 MΩ

Lifetime

mechanical 50'000 switching cycles

AC: 1.0 x Ir, cos φ 0.6:
50'000 switching cycles

DC: 1.0 x Ir,:
50'000 switching cycles

Overload

IEC: min. 40 trips@ 6 x Ir, cos φ 0.6

: min. 50 trips@ 1.5 x Ir, cos φ 0.75

Allowable Operation Temp.

-30 °C to 60 °C

Storage Temperature

-40 °C to 60 °C

Vibration Resistance

± 0.75 mm @ 10 - 60 Hz
acc. to IEC 60068-2-6, test Tc
10 G @ 60 - 500 Hz
acc. to IEC 60068-2-6, test Tc

Shock Resistance

30 G / 18 ms
acc. to IEC 60068-2-27, test Ea

Tripping Type

Thermal 

Actuation Type

Rotary Knob 

Weight

75 g g

Detailed information on product approvals, code requirements, usage instructions and detailed test conditions can be looked up in  Details about Approvals
SCHURTER products are designed for use in industrial environments. They have approvals from independent testing bodies according to national and international standards. Products with specific characteristics and requirements such as required in the automotive sector according to IATF 16949, medical technology according to ISO 13485 or in the aerospace industry can be offered exclusively with customer-specific, individual agreements by SCHURTER.


Approvals

The approval mark is used by the testing authorities to certify compliance with the safety requirements placed on electronic products.


Approval Reference Type: TA35

Approval Logo Certificates Certification Body Description
Approval marks VDE VDE VDE Certificate Number: 40019754
Approval marks cURus UL UR File Number: E71572
Approval marks ccc CCC CCC Certificate Number: 2020970307001846


Product standards

Product standards that are referenced

Organization Design Standard Description
Approval marks IEC_Certification_Body Designed according to IEC 60934 Circuit-breakers for equipment (CBE)
Approval marks UL Designed according to UL 1077 Standard for Supplementary Protectors for Use in Electrical Equipment
Approval marks CSA_Certification_Body Designed according to CSA C22.2 No. 235 Supplementary Protectors
Approval marks ccc Designed according to GB 17701 Circuit-breaker for equipment


Compliances

The product complies with following Guide Lines

Identification Details Initiator Description
Approval marks CE SCHURTER AG The CE marking declares that the product complies with the applicable requirements laid down in the harmonisation of Community legislation on its affixing in accordance with EU Regulation 765/2008.
Approval marks Zulassung_Symbol_UKCA SCHURTER AG The UKCA marking declares that the product complies with the applicable requirements laid down in the British Amendment of Regulation (EC) 765/2008.
Environment_Safety RoHS_Logo_color_CMYK_tif SCHURTER AG Directive RoHS 2011/65/EU, Amendment (EU) 2015/863
Environment_Safety China_RoHS_50_non_konform_eps SCHURTER AG The law SJ / T 11363-2006 (China RoHS) has been in force since 1 March 2007. It is similar to the EU directive RoHS.
Environment_Safety REACH SCHURTER AG On 1 June 2007, Regulation (EC) No 1907/2006 on the Registration, Evaluation, Authorization and Restriction of Chemicals 1 (abbreviated as "REACH") entered into force.

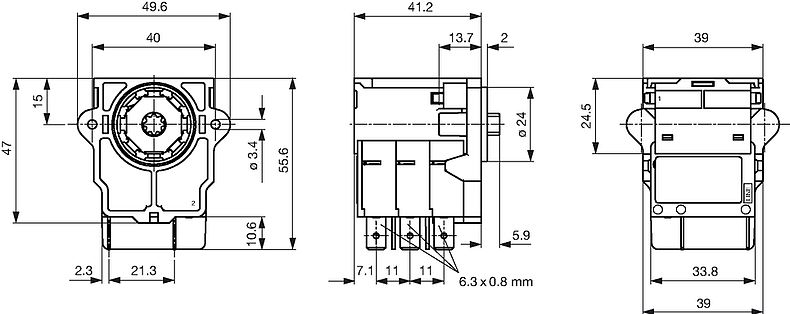
Dimension [mm]


Assembly Instructions


Approvals

Approval Rated current Rated Voltage AC Rated Voltage DC
  UL 1077 0.05...12 A 415 Y / 240 V -
  CSA C22.2 235 0.05...12 A 415 Y / 240 V -
  IEC 60934 0.05...12 A 415 Y / 240 V -
  GB 17701 0.05...12 A 415 Y / 240 V -

Typical internal resistance per pole

Rated Current [A] Internal Resistance [Ω]
0.05 200.000
0.1 70.000
0.5 2.750
1.0 0.720
1.5 0.340
2.0 0.187
2.5 0.115
2.8 0.089
3.0 0.059
4.0 0.059
5.0 0.044
6.0 0.028
7.0 0.0142
8.0 0.0142
10.0 0.0109
12.0 0.0086
13.0 * 0.0072
14.0 * 0.0072
15.0 * 0.0056
16.0 * 0.0056
18.0 * 0.0052
20.0 * 0.0052
* 3-Pole max. 12 A

Time-Current-Curves

Tripping Characteristics thermal magnetic fast acting

Time in Seconds
Multiple of Rated Current In


Ambient temperature +23°
Tripping Characteristics thermal magnetic time lag

Time in Seconds
Multiple of Rated Current In


Ambient temperature +23°

Effect of ambient temperature

Ambient Temperature [°C] Correction factor
-30 0.76
-20 0.81
0 0.90
+23 1.00
+40 1.06
+50 1.10
+60 1.14


Short Table of Variants TA35 Rotary Switch 3Pol Open complete table TA35 Rotary Switch 3Pol

Designation Order Number Symbols, Footprints, 3D-Models Free Sample

Free Sample


Please ask for free sample in order to check if the products meets your requirement for your application.
Send your delivery adress and your specific requirements.

Distributor Stock Check

Distributor Stock Check


The following links refers to the inquiry form for distributors stock information of the selected products. It allows checking for the available amount and optionally to place an order at your selected partner.
The stock availability at the distributors may also be called up separately and the desired product manually entered.
Stock Check Distributor

...
 
TA35 Drehknopf 3Pol, 12 A, Snap-in version, Quick connect terminals 6.3 x 0.8 mm, 415 Y VAC, 3-pole, Circuit Breakers 4435.0075 - ...
TA35 Drehknopf 3Pol, 10 A, Snap-in version, Quick connect terminals 6.3 x 0.8 mm, 415 Y VAC, 3-pole, Circuit Breakers 4435.0452 - ...
040192020000008823
LOADING...

02.09.2025
   
en prod By changing the catalog version (Desktop <> Mobile), the system is resetting the chosen filters