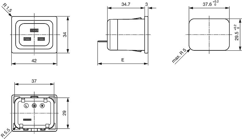
4710  4710 cross Snap-in mounting from front side
4710
cross
Snap-in mounting from front side
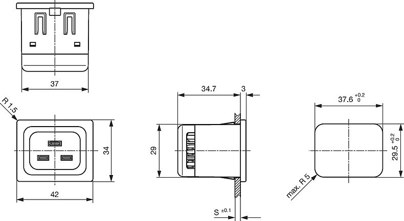
4710  4710 along Snap-in mounting from front side
4710
along
Snap-in mounting from front side
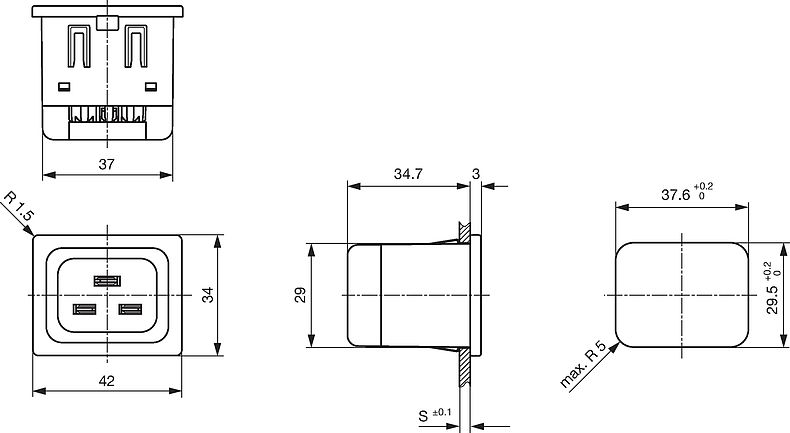
4710  4710 cross, view from rear side Snap-in mounting from front side
4710
cross, view from rear side
Snap-in mounting from front side
4710  4710 cross With integrated Light Pipes
4710
cross
With integrated Light Pipes
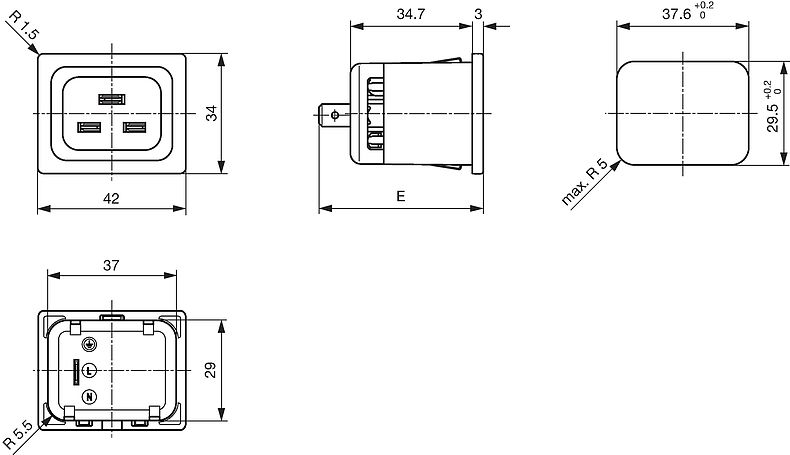
4710  IEC Appliance Outlet J, Snap-in Mounting, Front Side, IDC Terminal
4710  10A outlet on PCB with Light Pipes
10A outlet on PCB with Light Pipes
4710  4710 cross Snap-in mounting from front side
4710  4710 along Snap-in mounting from front side
4710  4710 cross, view from rear side Snap-in mounting from front side
4710  4710 cross With integrated Light Pipes
4710  IEC Appliance Outlet J, Snap-in Mounting, Front Side, IDC Terminal
4710  10A outlet on PCB with Light Pipes

Series

4710

IEC Appliance Outlet J, Snap-in Mounting, Front Side, IDC Terminal

Free Sample Request

20 Variants


Connectors (Inlets/Outlets)

type J
Connector Logo
70° C

Description

  • Panel mount: Snap-in version, front side
  • Connector, Pin temperature 70 °C, Protection class I
  • Wire gauge 10AWG/6.0mm², 12AWG/4.0mm², 2.5mm²
  • IDC terminals acc. to IEC 60998-2-3 for solid wires

Unique Selling Proposition

  • Reduces labor costs
  • Allows wiring of multiple terminals at once
  • Cross and along orientation
  • V-Lock cord retaining standard

Characteristics

  • Protection cover can be used as wire press
  • Live contact available as IDC, solder or quick connect terminal
  • ready to use with V-Lock cordsets
  • Suitable for use in equipment according to IEC/UL 62368-1

Other versions on request

  • Other panel thickness

The integration of light pipes in the appliance outlet provides status indication in smart PDUs. See PDU Landing Page for more information. Power Distribution Units

Ratings IEC

Ratings IEC


The electrical characteristics describe the approved operating values for the state of rated current and rated voltage considering the mentioned conditions.
General information on electrical characteristics colors of fuses
Ratings IEC, UL/CSA General information on the rated current and the rated voltage at EMC products
Rated Voltage Rated current The values are different depending on the approval body and therefore are referenced in the corresponding admission cards for the respective product families. Details about the approvals and ratings are listed in the data sheets.
Search approval information for different families
Approvals

16 A / 250 VAC; 50 Hz

Ratings UL/CSA

Ratings UL


The electrical characteristics describe the approved operating values for the state of rated current and rated voltage considering the mentioned conditions.
General information on electrical characteristics colors of fuses
Ratings IEC, UL/CSA General information on the rated current and the rated voltage at EMC products
Rated Voltage Rated current The values are different depending on the approval body and therefore are referenced in the corresponding admission cards for the respective product families. Details about the approvals and ratings are listed in the data sheets.
Search approval information for different families
Approvals

20 A / 250 VAC; 60 Hz

Dielectric Strength

Dielectric Strength


Information about the maximum permissible voltage, to avoid a voltage breakdown due to insulation damage.
Dielectric Strength

> 2.5 kVAC between L-N
> 1.5 kVAC between L/N-PE
(1 min/50 Hz)

Allowable Operation Temperature

-25 °C to 70 °C

Protection against electric shock

IP-Protection


The IP code consists of a two-digit number, which indicates the respective degree of protection.
The first digit specifies the protection from the penetration of foreign objects, the second digit the protection from water penetration with harmful effects. Details about IP protection degree can be looked up in the general product information
IP-Protection

Suitable for appliances with protection class I acc. to IEC 61140

Terminal

Terminals


Terminals according IEC Standard.
Detailed information about terminals can be looked up in the date sheet or in the general product information.
Terminal

IDC terminals

Panel Thickness S

Panel Thickness S


See details in drawing
Snapper

1/1.2/1.5/2/2.5/3 mm

Material: Housing

Thermoplastic, black, UL 94V-0

Appliance inlet/-outlet

Appliance inlet/-outlet


Connector type according to IEC 60320-1 resp. IEC 60320-2-2, UL498, CSA C22.2 no.42
Details on connectors and their names can be found in the general product information
Appliance Couplers Mating Connectors Term explanation Special Connector Designs

type J acc. to IEC 60320-3
UL 60320-1, CSA C22.2 no. 60320-1 ,   Protection Class I

Detailed information on product approvals, code requirements, usage instructions and detailed test conditions can be looked up in  Details about Approvals
SCHURTER products are designed for use in industrial environments. They have approvals from independent testing bodies according to national and international standards. Products with specific characteristics and requirements such as required in the automotive sector according to IATF 16949, medical technology according to ISO 13485 or in the aerospace industry can be offered exclusively with customer-specific, individual agreements by SCHURTER.


Approvals

The approval mark is used by the testing authorities to certify compliance with the safety requirements placed on electronic products.


Approval Reference Type: 4710

Approval Logo Certificates Certification Body Description
Approval marks ENEC_10 VDE Certificate Number: 40042639
Approval marks cURus UL UR File Number: E103791
Approval marks ccc CCC CCC Certificate Number: 2014010204668919


Product standards

Product standards that are referenced

Organization Design Standard Description
Approval marks IEC_Certification_Body Designed according to IEC 60320-1 Appliance couplers for household and similar general purposes
Approval marks IEC_Certification_Body Designed according to IEC 60320-3 Appliance couplers for household and similar general purposes
Approval marks UL Designed according to UL 60320-1 Standard for Attachment Plugs and Receptacles
Approval marks CSA_Certification_Body Designed according to CSA C22.2 no. 60320-1 General Use Receptacles, Attachment Plugs, and Similar Wiring Devices


Application standards

Application standards where the product can be used

Organization Design Standard Description
Approval marks IEC_Certification_Body Suitable for applications acc. IEC/UL 62368-1 Audio/video, information and communication technology equipment - Part 1: Safety requirements


Compliances

The product complies with following Guide Lines

Identification Details Initiator Description
Approval marks CE SCHURTER AG The CE marking declares that the product complies with the applicable requirements laid down in the harmonisation of Community legislation on its affixing in accordance with EU Regulation 765/2008.
Approval marks Zulassung_Symbol_UKCA SCHURTER AG The UKCA marking declares that the product complies with the applicable requirements laid down in the British Amendment of Regulation (EC) 765/2008.
Environment_Safety RoHS_Logo_color_CMYK_tif SCHURTER AG Directive RoHS 2011/65/EU, Amendment (EU) 2015/863
Environment_Safety China_RoHS_e_konform_eps SCHURTER AG The law SJ / T 11363-2006 (China RoHS) has been in force since 1 March 2007. It is similar to the EU directive RoHS.
Environment_Safety Halogenfree SCHURTER AG SCHURTER strives to offer our customers halogen free products.
Environment_Safety REACH SCHURTER AG On 1 June 2007, Regulation (EC) No 1907/2006 on the Registration, Evaluation, Authorization and Restriction of Chemicals 1 (abbreviated as "REACH") entered into force.
Components V_Lock_Logo SCHURTER AG V-Lock system are based on a matching plug-dose combination. The connector is equipped with a notch intended for use with the latching cordset. The cord latching system prevents against accidental removal of the cordset.

Dimensions [mm]

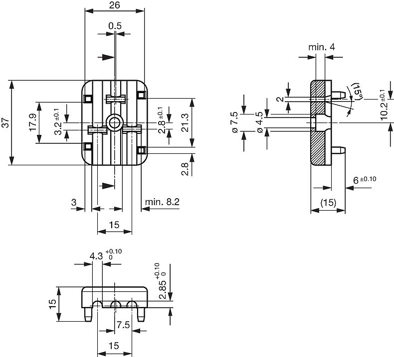
Version „cross“ (wires cross to pin axis)
L/N/PE: IDC terminals
Version „along“ (wires along to pin axis)
L/N/PE: IDC terminals
Version „cross“ (wires cross to pin axis)
N/PE: IDC terminals, L: quick connect or solder terminal
E: Quick connect terminal 6.3x0.8:␉46.7 mm
E: Solder terminal:␉␉47.2 mm
Version „along“ (wires along to pin axis)
N/PE: IDC terminals, L: quick connect or solder terminal
E: Quick connect terminal 6.3x0.8:␉46.7 mm
E: Solder terminal:␉␉47.2 mm

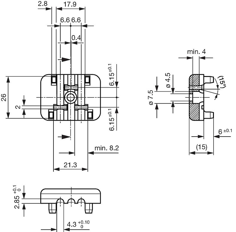
Assembly Instructions

Wire press version "cross"

Wire press version "along"


Short Table of Variants 4710 Open complete table 4710

Alignment 1) Conductor cross section Panel Thickness s [mm] Order Number
Symbols, Footprints, 3D-Models Free Sample

Free Sample


Please ask for free sample in order to check if the products meets your requirement for your application.
Send your delivery adress and your specific requirements.

Distributor Stock Check

Distributor Stock Check


The following links refers to the inquiry form for distributors stock information of the selected products. It allows checking for the available amount and optionally to place an order at your selected partner.
The stock availability at the distributors may also be called up separately and the desired product manually entered.
Stock Check Distributor

...
 
along 2.5 mm² 1.5 4710.6014 ...
along 2.5 mm² 1.5 4710.6254 ...
along 2.5 mm² 1.5 4710.6154 ...
along 4.0 mm² / 12 AWG 1 4710.4012 ...
along 4.0 mm² / 12 AWG 1.5 4710.4014 ...
along 4.0 mm² / 12 AWG 1.5 4710.4254 ...
along 4.0 mm² / 12 AWG 1.5 4710.4154 ...
along 6.0 mm² / 10 AWG 1.5 4710.2014 ...
along 6.0 mm² / 10 AWG 1.5 4710.2254 ...
along 6.0 mm² / 10 AWG 1.5 4710.2154 ...
cross 2.5 mm² 1.5 4710.5014 ...
cross 2.5 mm² 1.5 4710.5254 ...
cross 2.5 mm² 1.5 4710.5154 ...
cross 4.0 mm² / 12 AWG 1.5 4710.3014 ...
cross 4.0 mm² / 12 AWG 2 4710.3015 ...
cross 4.0 mm² / 12 AWG 1.5 4710.3254 ...
cross 4.0 mm² / 12 AWG 1.5 4710.3154 ...
cross 6.0 mm² / 10 AWG 1.5 4710.1014 ...
cross 6.0 mm² / 10 AWG 1.5 4710.1254 ...
cross 6.0 mm² / 10 AWG 1.5 4710.1154 ...

Articles with 2.5 mm² only with ENEC approval. Outer diameter of wire (including insulation) max. 4.5 mm.

1) The alignment describes whether the wires are along or across to the connector pin axis.

Packaging unit 50 Pcs 

020070130000002470
LOADING...
Alternative: version for 10 A (15 A) (2)

[Swipe to the left and right for more options]

Mating Inlets/Plugs (2)

[Swipe to the left and right for more options]

4796

4796, Mounting: Power Cord, Cable, Plug: IEC I

4789

4789, Mounting: Power Cord, Screw, Plug: IEC I

Mating Inlets/Plugs shuttered (4)

[Swipe to the left and right for more options]

3-100-362

VAC19KS, Interconnection, V-Lock cord retaining, 2.0 m, Connector IEC C19, H05VV-F3G1.5 / SJT 3x14 AWG, black

3-100-363

VAC19KS, Interconnection, V-Lock cord retaining, 3.0 m, Connector IEC C19, H05VV-F3G1.5 / SJT 3x14 AWG, black

6051.2147

VAC19KS, Interconnection, V-Lock cord retaining, 1.0 m, Connector IEC C19, H05VV-F3G1.5, black

6051.2197

VAC19KS, Interconnection, V-Lock cord retaining, 1.0 m, Connector IEC C19, H05VV-F3G1.5 / SJT 3x14 AWG, black


01.10.2025
   
nl prod Door de catalogusversie te veranderen (Desktop <> Mobiel), stelt het systeem de gekozen filters opnieuw in.