Voltage Selectors Insert 1  To be used with drawer for KE, CE, KG, CG
To be used with drawer for KE, CE, KG, CG

Series

Voltage Selectors Insert 1

Voltage Selector Insert to KE, CE, KG, CG

Description

  • Component: Drop-in type, Switching Unit
  • 1 Function: Voltage selector insert (step switch)
  • Up to four different switch positions
  • Approved together with power entry module

Other versions on request

  • Fuse drawer with other voltage values

Detailed information on product approvals, code requirements, usage instructions and detailed test conditions can be looked up in  Details about Approvals
SCHURTER products are designed for use in industrial environments. They have approvals from independent testing bodies according to national and international standards. Products with specific characteristics and requirements such as required in the automotive sector according to IATF 16949, medical technology according to ISO 13485 or in the aerospace industry can be offered exclusively with customer-specific, individual agreements by SCHURTER.


Product standards

Product standards that are referenced

Organization Design Standard Description
Approval marks IEC_Certification_Body Designed according to IEC 60127-6 Miniature fuses. Part 6. Fuse-holders for miniature fuse-links


Application standards

Application standards where the product can be used

Organization Design Standard Description
Approval marks IEC_Certification_Body Suitable for applications acc. IEC/UL 62368-1 Audio/video, information and communication technology equipment - Part 1: Safety requirements
Approval marks IEC_Certification_Body Suitable for applications acc. IEC 60601-1 Medical electrical equipment - Part 1: General requirements for basic safety and essential performance


Compliances

The product complies with following Guide Lines

Identification Details Initiator Description
Environment_Safety RoHS_Logo_color_CMYK_tif SCHURTER AG Directive RoHS 2011/65/EU, Amendment (EU) 2015/863
Environment_Safety REACH SCHURTER AG On 1 June 2007, Regulation (EC) No 1907/2006 on the Registration, Evaluation, Authorization and Restriction of Chemicals 1 (abbreviated as "REACH") entered into force.

Dimension [mm]

Switch position 1

Switch postion 2


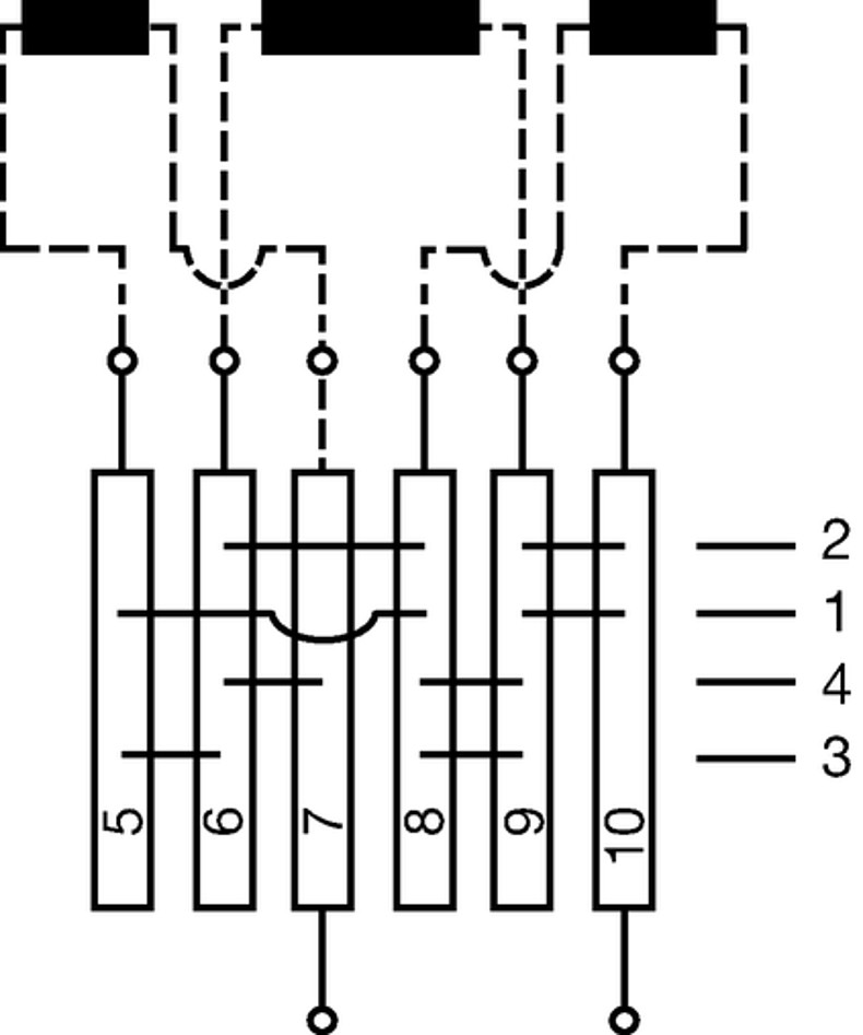
Diagrams

System No. 1

2 separate windings, one with a tap
3 or 4 switch positions

2 separate windings one with a tap
3 or 4 switch positions
System No. 2

2 separate windings
2 switch positions

2 separate windings
2 switch positions
System No. 3

3 separate windings
3 or 4 switch positions

3 separate windings
3 or 4 switch positions
System No. 4

2-pole change over switch


Voltage Selector Inserts

Switch position System No. Voltage marking, switch position Order Number Rotation
    1   2   3   4    
1 - - - - - 4305.0048.00
1 1 100 120 220 240 4305.0048.01
1 3 130 110 240 220 4305.0048.02
1 2 110 - - 220 4305.0048.03
1 3 - 110 240 220 4305.0048.04
1 2 115 - - 230 4305.0048.05
1 1 130 110 240 220 4305.0048.08
1 2 120 - - 240 4305.0048.09
1 1 100 115 - 230 4305.0048.10
1 2 230 - - 110 4305.0048.11
1 1 240 230 220 200 4305.0048.15
1 4 - 115 230 - 4305.0048.17
1 1 - 110 220 - 4305.0048.18
1 1 100 120 230 240 4305.0048.20
1 1 110 130 230 50 4305.0048.21
1 2 115 * - - 230 * 4305.0048.22
1 - 110 115 215 230 4305.0048.23
1 - 100 V 115 V 215 V 230 V 4305.0048.24
1 2 100 - - 200 4305.0048.25
1 - - 115 * - 230 * 4305.0048.28
1 - 100 120 220 230 4305.0048.30
2 - - - - - 4305.0050.00
2 3 130 110 240 220 4305.0050.02
2 3 - 110 240 220 4305.0050.04
2 3 150 110 - 220 4305.0050.06
2 3 - - - - 4305.0050.26
2 - 100 120 220 - 4305.0050.30
3 - - - - - 4305.0049.00
3 4 - 220 * 110 * - 4305.0049.07
3 4 - 115 230 - 4305.0049.17
3 1 - - - - 4305.0049.18
3 4 - 230 * 110 * - 4305.0049.19
* Lettering rotated 180°

020050120000001154
LOADING...

02.09.2025
   
nl prod Door de catalogusversie te veranderen (Desktop <> Mobiel), stelt het systeem de gekozen filters opnieuw in.