Free Sample
Please ask for free sample in order to check if the products meets your requirement for your application.
		
Send your delivery adress and your specific requirements.
	
  
 
        Shock-Safe Category
PC2
Fuse-Link
5 x 20 mm
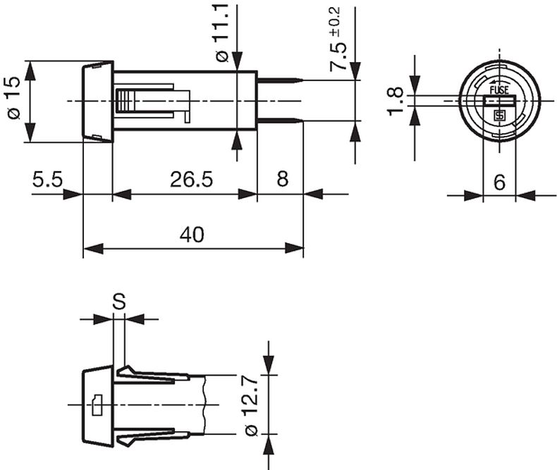
Mounting
Panel mount, Front Side
Attachment
Snap-in
Terminal
Solder / Quick-Connect 4.8 x 0.5 mm
Rated Voltage
250 VAC , 500 V (UL/CSA)
Rated current
10 A (VDE), 16 A (UL/CSA)
Rated Power Acceptance IEC
2.5 W / 10 A @ Ta 23 °C
Degree of Protection
IP40
Protection Class
Suitable for appliances with protection class I acc. to IEC 61140
Admissible Ambient Temp.
-40 °C to 85 °C
Climatic Category
40/085/21 acc. to IEC 60068-1
Material: Socket
Thermoplastic, black, UL 94V-0
Material: Terminals
Copper alloy, tin-plated
Unit Weight
5.3 g
Storage Conditions
0 °C to 60 °C, max. 70% r.h.
Product Marking
 , Type, Rated Voltage, Power Acc./Current Rating, Panel Thickness, Certification marks
, Type, Rated Voltage, Power Acc./Current Rating, Panel Thickness, Certification marks
Soldering Methods
Iron
Soldering Profile
Solderability
350 °C / 2 sec acc. to IEC 60068-2-20, Test Ta, method 2
Resistance to Soldering Heat
350 °C / 10 sec acc. to IEC 60068-2-20, Test Tb, method 2
Contact Resistance
≤ 10 mΩ at 100 mA acc. to IEC 60127-6
Dielectric Strength
> 3 kV between live parts
Impulse Withstand Voltage
> 4 kV between live parts
Insulation Resistance
≥ 10 MΩ between live parts
(500 VDC: 1 min)
Overvoltage Category
III acc. to IEC 60664-1
Pollution Degree
3 acc. to IEC 60664-1
Resistance to Vibration
acc. to IEC 60068-2-6, test Fc
Panel Thickness
1.0 - 3.0 mm
Detailed information on product approvals, code requirements, usage instructions and detailed test conditions can be looked up in 
Details about Approvals
SCHURTER products are designed for use in industrial environments. They have approvals from independent testing bodies according to national and international standards. Products with specific characteristics and requirements such as required in the automotive sector according to IATF 16949, medical technology according to ISO 13485 or in the aerospace industry can be offered exclusively with customer-specific, individual agreements by SCHURTER.
The approval mark is used by the testing authorities to certify compliance with the safety requirements placed on electronic products.
Approval Reference Type: FPG3
| Approval Logo | Certificates | Certification Body | Description | 
|---|---|---|---|
|   | VDE | VDE Certificate Number: 127216 | |
|   | UL | UR File Number: E39328 | |
|   | KTL | Korea Testing Laboratory | 
Product standards that are referenced
| Organization | Design | Standard | Description | 
|---|---|---|---|
|   | Designed according to | IEC 60127-6 | Miniature fuses. Part 6. Fuse-holders for miniature fuse-links | 
|   | Designed according to | UL 4248-1 | Industrial Control Equipment | 
|   | Designed according to | CSA C22.2 no. 4248.1 | Industrial Control Equipment | 
Application standards where the product can be used
| Organization | Design | Standard | Description | 
|---|---|---|---|
|   | Suitable for applications acc. | IEC/UL 62368-1 | Audio/video, information and communication technology equipment - Part 1: Safety requirements | 
|   | Suitable for applications acc. | IEC 60335-1 | Safety of electrical appliances for household and similar purposes. Meets the requirements for appliances in unattended use. This includes the enhanced requirements of glow wire tests acc. to IEC 60695-2-11 or -12 & -13. | 
The product complies with following Guide Lines
| Identification | Details | Initiator | Description | 
|---|---|---|---|
|   | SCHURTER AG | The CE marking declares that the product complies with the applicable requirements laid down in the harmonisation of Community legislation on its affixing in accordance with EU Regulation 765/2008. | |
|   | SCHURTER AG | The UKCA marking declares that the product complies with the applicable requirements laid down in the British Amendment of Regulation (EC) 765/2008. | |
|   | SCHURTER AG | Directive RoHS 2011/65/EU, Amendment (EU) 2015/863 | |
|   | SCHURTER AG | The law SJ / T 11363-2006 (China RoHS) has been in force since 1 March 2007. It is similar to the EU directive RoHS. | |
|   | SCHURTER AG | On 1 June 2007, Regulation (EC) No 1907/2006 on the Registration, Evaluation, Authorization and Restriction of Chemicals 1 (abbreviated as "REACH") entered into force. | |
|   | SCHURTER AG | Meets the requirements of IEC 60335-1 for appliances in unattended use. This includes the enhanced requirements of glow wire tests acc. to IEC 60695-2-11 or -12 &-13. | 
| Holder | Cap | Panel Thickness s [mm] | Order Number | Symbols, Footprints, 3D-Models | Free Sample Free Sample 
 | Distributor Stock Check Distributor Stock Check 
 | ... | |
|---|---|---|---|---|---|---|---|---|
| • | slotted | 1.0 - 1.8 mm | 3101.0030 |  | ... | |||
| • | slotted | 1.0 - 1.8 mm | 3101.0230 |  | ... | |||
| • | slotted | 2.0 - 3.0 mm | 3101.0031 |  | ... | |||
| • | slotted | 2.0 - 3.0 mm | 3101.0331 |  | ... | |||
| • | Fingergrip | 1.0 - 1.8 mm | 3101.0035 |  | ... | |||
| • | Fingergrip | 1.0 - 1.8 mm | 3101.0235 |  | ... | |||
| • | Fingergrip | 2.0 - 3.0 mm | 3101.0036 |  | ... | |||
| • | Fingergrip | 2.0 - 3.0 mm | 3101.0336 |  | ... | 
| Packaging Unit | Bulk 186 x 91 x 91 mm (100 pcs.) |